Интернет-магазин SellFrost.RU осуществляет продажу Shuft CFW 160 S на заказ с доставкой в Омске. Вы можете узнать цены, заказать и купить Круглые канальные вентиляторы позвонив по номеру телефона 8 (800) 201 69 35 или оставив онлайн заявку. Забрать товар можно в пункте выдачи по адрессу: г. Омск Космический просп., 109, стр. 1, посёлок Чкаловский
Цену уточняйте
Ближайшая дата доставки
11.12.2025
Хотите обновить систему вентиляции в ваших жилых, общественных или производственных помещениях? Тогда вентилятор Shuft CFW 160 S – ваш выбор! Он обеспечивает эффективную вытяжку, поддерживая свежий и чистый воздух внутри помещений.
Вентилятор Shuft CFW 160 S поставляется готовым к подключению, что упрощает его установку. Вы можете установить его в любом положении, в соответствии с направлением потока воздуха. Важно предусмотреть доступ для обслуживания вентилятора, чтобы обеспечить его бесперебойную работу в течение долгого времени.
Пожалуйста, обратите внимание: Вентилятор не предназначен для использования в помещениях, где воздух содержит «тяжелую» пыль, муку и другие опасные вещества. Также не рекомендуется устанавливать его во взрыво- и пожароопасных помещениях.

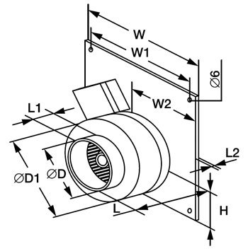
| Модель | D, мм | D1, мм | L, мм | L1, мм | L2, мм | W, мм | W1, мм | W2, мм | H, мм |
|---|---|---|---|---|---|---|---|---|---|
| CFW 160S | 160 | 342 | 129 | 25 | 10 | 400 | 385 | 192 | 192 |
Выбирайте вентилятор Shuft CFW 160 S и позвольте своему пространству «дышать» свежим и чистым воздухом каждый день! Закажите его прямо сейчас и наслаждайтесь комфортом!
| Напряжение электропитания, В | 230 B |
| Вес, кг | 4.0 кг |
| 4 стадия очистки | 57/70 дБ |
| Потребляемая электрическая мощность, Вт | 100 Вт |
| Размеры внутреннего блока, мм | 537/0 м3/ч / Па |
| Режим вентилятора | 0,43 А |
| Температура окружающей среды до, °C | 0/302 м3/ч / Па |
| Тип парораспределителя | 0.1 кВт |
| Ток на охлаждение, А | 2503 об/мин |